登录
/
注册
首页
论坛
其它
首页
科技
业界
安全
程序
广播
Follow
关于
导读
排行榜
资讯
发帖说明
登录
/
注册
账号
自动登录
找回密码
密码
登录
立即注册
搜索
搜索
关闭
CSDN热搜
程序园
精品问答
技术交流
资源下载
本版
帖子
用户
软件
问答
教程
代码
写记录
写博客
小组
VIP申请
VIP网盘
网盘
联系我们
发帖说明
道具
勋章
任务
淘帖
动态
分享
留言板
导读
设置
我的收藏
退出
腾讯QQ
微信登录
返回列表
首页
›
业界区
›
业界
›
采样保持电路分析[原创www.cnblogs.com/helesheng] ...
采样保持电路分析[原创www.cnblogs.com/helesheng]
[ 复制链接 ]
谅潭好
2 小时前
程序园永久vip申请,500美金$,无限下载程序园所有程序/软件/数据/等
上《数字电路》这门课的时候,学生问模数转换器(ADC)一章中的采样保持电路(本文图3电路)为什么要加钳位二极管VD1和VD2,我习惯性的随口回答:为了在保持阶段第一个运放的输出不会太大,也不会太小。回到办公室仔细想了一下,不禁反问自己国家半导体的经典电路LF398究竟为什么要设计这两个二极管,为什么不实用最直接的两个局部负反馈结构(如本文图1)。请教了同事、同学发现还是有很多值得分享记录的地方,现总结如下。以下原创内容欢迎网友转载,但请注明出处:https://www.cnblogs.com/helesheng
1、采样保持电路原型
示意图如1所示:运放A1、A2构成电压跟随器,两个跟随器分别用于实现“输入到采样保持电容\(C_h\)的阻抗变换”,以及“\(C_h\)到输出\(u_o\)的阻抗变换”。其中开关S是由MOS管构成的模拟开关,它导通的时候,实现\(C_h\)电压采样;关断时实现\(C_h\)电压保持。
图1 采样保持电路原型这个电路的缺点是S处的开关MOS管关断的瞬间,其栅极G电压突变,栅极和源极之间的寄生电容\(C_{GS}\)上的电压差不能突变,从而导致\(U_{P2}\)处的保持电压被\(C_{GS}\)拉低,降低了保持精度和开关切换时间。
2、采样保持电路改进1
为了改善这个问题,将图1中A1构成的局部负反馈变为全局反馈,以通过A1的增益改善控制精度。得到图2所示的电路,其中\(R_{DS}\)是栅极寄生电容\(C_{GS}\)上的电荷完全释放完毕之前,S处于半导通状态下S的漏源之间的等效电阻。
图2 采样保持电路改进1图2具体分析:G端突然出现下跳,拉着A2的同相输入端也变低,从而导致A2输出变小,进而导致A1反相端输入也降低,A1的输出就会拉高来补偿采样电容\(C_h\)上的电压损失误差。其中\(C_{GS}\)只在电压很低时很大,所以当关断程度大,\(R_{DS}\)大的时候作用就不大了。所以只需要A1的输出电压能够在一个小范围波动,因此只需要A1的输出在很小的范围内波动就可以补偿\(C_h\)上的电压误差。
3、采样保持电路改进2
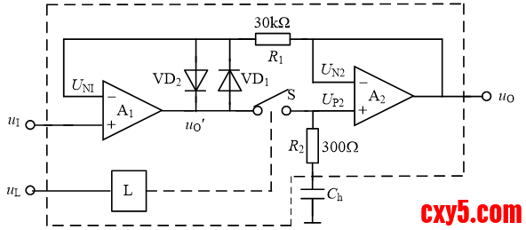
图2所示改进电路的问题是:当S完全断开后,A1处于完全开环的比较器状态,保持阶段如果输入\(u_i\)发生变化,会导致A1饱和输出高电平或低电平。S再次闭合采样时A1要从饱和状态回复到负反馈的工作状态一般需要1us左右,这将极大的限制采样保持器的最大工作频率。因此出现了图3所示的,真正实用的采样保持电路LF398。
VD1和VD2的作用是通过钳位保证A1在保持阶段不会进入饱和状态(实际上是一种非线性负反馈状态),从而提升了采样保持器的工作速度。而VD1和VD2也限制了图2中A1输出的补偿电压摆幅,不过根据上面的分析只需要A1的输出电压能够在一个小范围波动即可实现\(C_{GS}\)造成的保持电压波动。
因此,清华阎石老师的《数字电路》教材说这两个二极管通过钳位可以提升采样保持电路的工作速度。
哈工大杨春玲老师的《数字电路》教材中说VD1和VD2的作用是为了防止A1饱和后造成S两端压差过大,从而烧毁S,我觉得是没有根据的。
图3 采样保持电路改进2(LF398)
4、含二极管的局部非线性反馈精确性分析
S闭合时,二极管VD1和VD2两端电压相等:
此时由于A1和A2的虚断,\(U_{N2}、U_{P2}、u_o以及u_o’\)相等,\(u_i以及U_{NI}\)相等。如果\(u_o’\)与二极管上端的\(U_{NI}\)相差一个Δu(0,\(u_o\)将等于\(u_o’并大于u_i\)。此时由于R1上不可能有电流,R1左右两边的电压相同,将使\(U_{NI}等于u_o’并大于u_i\),此时运放A1将调整输出到让\(u_o’\)降低(A1反相输入端大于A2),直至达到\(u_o’等于u_i\),Δu等于0。
来源:程序园用户自行投稿发布,如果侵权,请联系站长删除
免责声明:如果侵犯了您的权益,请联系站长,我们会及时删除侵权内容,谢谢合作!
采样
保持
电路分析
原创
www
相关帖子
[原创]《C#高级GDI+实战:从零开发一个流程图》第07章:来吧,自定义“画布”控件!
利用 OpenTelemetry 建设尾部采样
【光照】Unity如何在Cubemap中采样反射信息?
[原创]《C#高级GDI+实战:从零开发一个流程图》第06章:繁琐?没扩展性?抽象!抽象!
多cms养站系统【AI原创】程序
悟空原创:零门槛编程?实现了!拖拉流程,支持窗口界面设计支持生成独立可执行程序
【原创】xenomai3实时CAN(rtcan)使用说明-基于rk3562
RFSOC学习记录(五)带通采样定理
[原创]《C#高级GDI+实战:从零开发一个流程图》
从numpy数组等间距定长采样
回复
使用道具
举报
提升卡
置顶卡
沉默卡
喧嚣卡
变色卡
千斤顶
照妖镜
相关推荐
业界
[原创]《C#高级GDI+实战:从零开发一个流程图》第07章:来吧,自定义“画布”控件!
3
88
刃减胸
2025-09-26
业界
利用 OpenTelemetry 建设尾部采样
1
1064
仰翡邸
2025-09-28
业界
【光照】Unity如何在Cubemap中采样反射信息?
5
731
鄂缮输
2025-10-06
业界
[原创]《C#高级GDI+实战:从零开发一个流程图》第06章:繁琐?没扩展性?抽象!抽象!
10
382
遑盲
2025-10-06
程序
多cms养站系统【AI原创】程序
1
169
新程序
2025-10-10
业界
悟空原创:零门槛编程?实现了!拖拉流程,支持窗口界面设计支持生成独立可执行程序
4
223
郜庄静
2025-10-13
业界
【原创】xenomai3实时CAN(rtcan)使用说明-基于rk3562
2
834
茅香馨
2025-10-14
业界
RFSOC学习记录(五)带通采样定理
5
273
殷罗绮
2025-10-23
业界
[原创]《C#高级GDI+实战:从零开发一个流程图》
4
108
宓碧莹
2025-11-01
安全
从numpy数组等间距定长采样
1
324
接快背
2025-12-23
高级模式
B
Color
Image
Link
Quote
Code
Smilies
您需要登录后才可以回帖
登录
|
立即注册
回复
本版积分规则
回帖并转播
回帖后跳转到最后一页
签约作者
程序园优秀签约作者
发帖
谅潭好
2 小时前
关注
0
粉丝关注
17
主题发布
板块介绍填写区域,请于后台编辑
财富榜{圆}
3934307807
991124
anyue1937
9994892
kk14977
6845358
4
xiangqian
638210
5
韶又彤
9996
6
宋子
9979
7
闰咄阅
9993
8
刎唇
9993
9
俞瑛瑶
9998
10
蓬森莉
9948
查看更多
今日好文热榜
498
【译】在 Visual Studio 2026 中,减少升级
28
北京最靠谱的陪诊机构:北京守嘉陪诊,以规
419
怎么培养华为的IPD产品思维?
343
LaTeX学习笔记:开场白与索引
382
【面试题】MySQL B+树索引高度计算
948
专注之道,先立根基而后致远
552
采样保持电路分析[原创www.cnblogs.com/hel
674
jvm~jvm配置与系统配置的关系
234
从 jQuery → V/R → Lit:前端架构的 15
792
关于谷歌内核的浏览器不能使用 Lodop 打印
652
vue 表格 vxe-table 如何实现右键菜单异步
60
年会抽奖不用愁!这款开源 3D 抽奖工具,颜
853
同事查日志太慢,我现场教他一套 awk、tail
402
记一次 Mongo2Go 在 CI 环境启动失败的排查
309
AI论文生成神器怎么选?8款AI写论文工具指
323
PHP True Async 最近进展以及背后的争议
434
【节点】[ColorMask节点]原理解析与实际应
17
客服系统前端主题配色动态切换的一种实现思
110
流量洪峰下的交通指挥家:详解负载均衡与限
901
VUE3大屏自适应布局