登录
/
注册
首页
论坛
其它
首页
科技
业界
安全
程序
广播
Follow
关于
导读
排行榜
资讯
发帖说明
登录
/
注册
账号
自动登录
找回密码
密码
登录
立即注册
搜索
搜索
关闭
CSDN热搜
程序园
精品问答
技术交流
资源下载
本版
帖子
用户
软件
问答
教程
代码
写记录
写博客
小组
VIP申请
VIP网盘
网盘
联系我们
发帖说明
道具
勋章
任务
淘帖
动态
分享
留言板
导读
设置
我的收藏
退出
腾讯QQ
微信登录
1
2
/ 2 页
下一页
返回列表
首页
›
业界区
›
安全
›
《ESP32-S3使用指南—IDF版 V1.6》第三十三章 RGB显示屏 ...
《ESP32-S3使用指南—IDF版 V1.6》第三十三章 RGB显示屏实验
[ 复制链接 ]
能氐吨
2025-9-28 16:45:28
猛犸象科技工作室:
网站开发,备案域名,渗透,服务器出租,DDOS/CC攻击,TG加粉引流
第三十三章 RGB显示屏实验
1)实验平台:正点原子DNESP32S3开发板
2)章节摘自【正点原子】ESP32-S3使用指南—IDF版 V1.6
3)购买链接:https://detail.tmall.com/item.htm?&id=768499342659
4)全套实验源码+手册+视频下载地址:http://www.openedv.com/docs/boards/esp32/ATK-DNESP32S3.html
5)正点原子官方B站:https://space.bilibili.com/394620890
6)正点原子DNESP32S3开发板技术交流群:132780729
ESP32-S3的LCD_CAM控制器由独立的LCD模块和Camera模块组成。LCD模块主要用于发送并行视频数据信号,支持多种接口时序,如RGB、MOTO6800和I8080。而Camera模块则用于接收并行视频数据信号,支持DVP 8-/16-bit模式。在本章节中,我们将首先介绍正点原子的RGBLCD显示屏的参数和功能参数,然后详细介绍LCD_CAM控制器的LCD模块,该模块用于驱动RGBLCD接口。
本章分为如下几个小节:
33.1 RGBLCD和LCD模块接口简介
33.2 硬件设计
33.3 程序设计
33.4 下载验证
33.1 RGBLCD和LCD模块接口简介
33.1.1 RGBLCD简介
RGBLCD是基于一组特定的同步信号,该同步信号指示在哪里开始和停止帧。帧缓冲区分配在ESP侧。因为在这种情况下我们不需要安装任何IO接口驱动程序,所以这使得驱动程序的安装步骤极大简化了。接下来我们就简单介绍一些RGBLCD的驱动。
1,RGBLCD的信号线
RGBLCD的信号线如表33.1.1.1所示:
表33.1.1.1 RGBLCD信号线
一般的RGB屏都有如表33.1.1.1所示的信号线,有24根颜色数据线(RGB各8根,即RGB888格式),这样可以表示最多1600W色,DE、VS、HS和DCLK,用于控制数据传输。
2,RGBLCD的驱动模式
RGB屏一般有2种驱动模式:DE模式和HV模式。DE模式使用DE信号来确定有效数据(DE为高/低时,数据有效),而HV模式,则需要行同步和场同步,来表示扫描的行和列。
DE模式和HV模式的行扫描时序图(以800*480的LCD面板为例),如图33.1.1.1所示:
图33.1.1.1 DE/HV模式行扫描时序图
从图中可以看出,DE和HV模式,时序基本一样,DEN模式需要提供DE信号(DEN),而HV模式,则无需DE信号。图中的HSD即HS信号,用于行同步,注意:在DE模式下面,是可以不用HS信号的,即不接HS信号,液晶照样可以正常工作。
图中的thpw为水平同步有效信号脉宽,用于表示一行数据的开始;thb为水平后廊,表示从水平有效信号开始,到有效数据输出之间的像素时钟个数;thfp为水平前廊,表示一行数据结束后,到下一个水平同步信号开始之前的像素时钟个数。
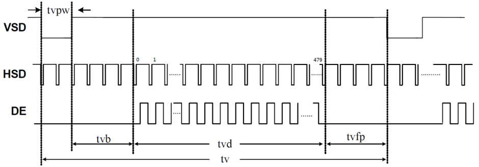
图33.1.1.1仅是一行数据的扫描,输出800个像素点数据,而液晶面板总共有480行,这就还需要一个垂直扫描时序图,如图33.1.1.2所示:
图33.1.1.2 垂直扫描时序图
图中的VSD就是垂直同步信号,HSD就是水平同步信号,DE为数据使能信号。如图可知,一个垂直扫描,刚好就是480个有效的DE脉冲信号,每一个DE时钟周期,扫描一行,总共扫描480行,完成一帧数据的显示。这就是800
480的LCD面板扫描时序,其他分辨率的LCD面板,时序类似。
图中的tvpw为垂直同步有效信号脉宽,用于表示一帧数据的开始;tvb为垂直后廊,表示垂直同步信号以后的无效行数,tvfp为垂直前廊,表示一帧数据输出结束后,到下一个垂直同步信号开始之前的无效行数;这几个时间同样在配置LTDC的时候,需要进行设置。
3,正点原子 RGBLCD模块
正点原子目前提供大家五款 RGBLCD 模块:ATK-4342(4.3寸,480
272)、ATK-4384(4.3寸,800
480) ATK-7084(7寸,800
480)、 ATK-7016(7 寸,1024
600)和ATK-1018(10.1 寸,1280
800),这里我们以 ATK-7084 为例,给大家介绍。该模块的接口原理图如图 33.1.1.3 所示:
图33.1.1.3 RGBLCD模块对外接口原理图
图中 J3就是对外接口,是一个40PIN 的 FPC 座( 0.5mm 间距),通过 FPC 线,可以连接到ESP32-S3 开发板的RGB接口上面,从而实现和ESP32-S3的连接。该接口十分完善,采用 RGB888 格式,并支持 DE&HV 模式,还支持触摸屏(电阻/电容)和背光控制。右侧的几个电阻,并不是都焊接的,而是可以用户自己选择。默认情况, R1 和 R6 焊接,设置 LCD_LR和 LCD_UD,控制 LCD 的扫描方向,是从左到右,从上到下(横屏看)。而 LCD_R7/G7/B7则用来设置 LCD 的 ID,由于 RGBLCD 没有读写寄存器,也就没有所谓的 ID,这里我们通过在模块上面,控制 R7/G7/B7 的上/下拉,来自定义 LCD 模块的 ID,帮助 MCU 判断当前 LCD 面板的分辨率和相关参数,以提高程序兼容性。这几个位的设置关系如表33.1.1.2 所示:
表33.1.1.2正点原子 RGBLCD模块ID对应关系
这样我们在程序里面,读取 LCD_R7/G7/B7,得到 M0:M2 的值,从而判断 RGBLCD 模块的型号,并执行不同的配置,即可实现不同 LCD模块的兼容。
更详细的RGB屏相关内容,可以参考正点原子提供的《ATK-MD0430R模块用户手册_V1.0》和《ATK-MD0430R模块使用说明_V1.0》,在这两个手册中,已经详细说明了RGB的工作原理及相关参数信息。
33.1.2 LCD模块接口简介
本小节主要介绍LCD_CAM控制器的LCD模块,至于CAMERA模块讲解,作者会在摄像头章节中涉及,下面我们来看一下LCD模块的结构框架。
图33.1.2.1 LCD_CAM控制器结构框架
这个系统的LCD模块(即上图的下方部分)包括以下模块:一个独立的发送控制单元(LCD_Ctrl),用于控制LCD的发送;一个发送异步FIFO(Async Tx FIFO),用于与外部设备交互,发送数据;一个LCD_ClockGenerator时钟生成模块,用于生成对应模块的时钟;以及一个格式转换模块,即RGB/YCbCr Converter,用于各种格式的视频数据互相转换。这些模块协同工作,确保系统能够高效、稳定地处理和传输并行视频数据信号。
需要读者注意的是:LCD_CAM的所有信号均需要经过GPIO交换矩阵映射到芯片管脚。更多信息请参考章节6 IO MUX和GPIO 交换矩阵(GPIO, IO MUX)。
1,LCD模块信号描述
LCD模块信号对应了上图右下角的几个信号,它们的具体作用如下所示。
表33.1.2.1 LCD模块信号描述
在启动LCD模块时,信号的位宽是一个关键参数。根据所接入的LCD的位宽,N的值会有所不同。如果使用RGBLCD接口连接,并且位宽为16位,则N的值为15。相反,如果接入的LCD使用8位的位宽,则N的值为7。因此,根据LCD的位宽,可以确定N的具体值。
2,LCD时钟选择
从上图可以清晰地看到,LCD模块的时钟由三个不同的时钟源提供,它们分别是XTAL_CLK、PLL_D2_CLK和PLL_F160M_CLK。LCD模块的时钟源选择模式是由寄存器LCD_CAM_LCD_CLOCK_REG中的LCD_CAM_LCD_CLK_SEL位决定的。最后,LCD_Clock Generator时钟生成模块负责生成LCD模块所需的时钟,即上图中的LCD_CLK。
下图是LCD时钟选择与计算框图。
图33.1.2.2 LCD时钟选择与计算框图
LCD_CLK 的频率 fLCD_CLK 与分频器时钟源频率 fLCD_CLK_S 间的关系如下:
其中,2
ESP32
S3
使用指南
IDF
V1
相关帖子
《ESP32-S3使用指南—IDF版 V1.6》第五章 工程的新建与配置
安装Sealos(新版k8s v1.33.6)
安装Sealos(新版k8s v1.33.6)
JavaParser使用指南
《ESP32-S3使用指南—IDF版 V1.6》第六章 初识Menuconfig
回复
使用道具
举报
提升卡
置顶卡
沉默卡
喧嚣卡
变色卡
千斤顶
照妖镜
相关推荐
安全
《ESP32-S3使用指南—IDF版 V1.6》第五章 工程的新建与配置
0
13
饨篦
2026-02-26
业界
安装Sealos(新版k8s v1.33.6)
2
932
梁丘艷蕙
2026-02-26
业界
安装Sealos(新版k8s v1.33.6)
1
241
敖可
2026-02-26
业界
JavaParser使用指南
1
926
荦绅诵
2026-02-28
安全
《ESP32-S3使用指南—IDF版 V1.6》第六章 初识Menuconfig
0
767
烯八
2026-03-02
回复
(23)
窟聿湎
2025-10-10 03:27:12
回复
使用道具
举报
照妖镜
程序园永久vip申请,500美金$,无限下载程序园所有程序/软件/数据/等
感谢,下载保存了
叟减
2025-11-22 12:26:29
回复
使用道具
举报
照妖镜
猛犸象科技工作室:
网站开发,备案域名,渗透,服务器出租,DDOS/CC攻击,TG加粉引流
鼓励转贴优秀软件安全工具和文档!
劳暄美
2025-12-2 07:48:45
回复
使用道具
举报
照妖镜
猛犸象科技工作室:
网站开发,备案域名,渗透,服务器出租,DDOS/CC攻击,TG加粉引流
这个有用。
匡菲
2025-12-6 16:53:21
回复
使用道具
举报
照妖镜
程序园永久vip申请,500美金$,无限下载程序园所有程序/软件/数据/等
感谢分享
颜才
2026-1-9 04:33:19
回复
使用道具
举报
照妖镜
猛犸象科技工作室:
网站开发,备案域名,渗透,服务器出租,DDOS/CC攻击,TG加粉引流
前排留名,哈哈哈
姚梨素
2026-1-14 01:46:32
回复
使用道具
举报
照妖镜
程序园永久vip申请,500美金$,无限下载程序园所有程序/软件/数据/等
感谢,下载保存了
吉芷雁
2026-1-18 13:22:22
回复
使用道具
举报
照妖镜
程序园永久vip申请,500美金$,无限下载程序园所有程序/软件/数据/等
感谢分享
劳暄美
2026-1-19 16:39:56
回复
使用道具
举报
照妖镜
程序园永久vip申请,500美金$,无限下载程序园所有程序/软件/数据/等
不错,里面软件多更新就更好了
肿抢
2026-1-21 07:12:10
回复
使用道具
举报
照妖镜
猛犸象科技工作室:
网站开发,备案域名,渗透,服务器出租,DDOS/CC攻击,TG加粉引流
新版吗?好像是停更了吧。
梅克
2026-1-21 13:20:24
回复
使用道具
举报
照妖镜
程序园永久vip申请,500美金$,无限下载程序园所有程序/软件/数据/等
感谢分享,学习下。
襁壮鸢
2026-1-21 16:30:47
回复
使用道具
举报
照妖镜
猛犸象科技工作室:
网站开发,备案域名,渗透,服务器出租,DDOS/CC攻击,TG加粉引流
感谢分享
获弃
2026-1-28 19:24:50
回复
使用道具
举报
照妖镜
猛犸象科技工作室:
网站开发,备案域名,渗透,服务器出租,DDOS/CC攻击,TG加粉引流
这个有用。
存叭
2026-1-29 06:22:21
回复
使用道具
举报
照妖镜
猛犸象科技工作室:
网站开发,备案域名,渗透,服务器出租,DDOS/CC攻击,TG加粉引流
感谢,下载保存了
祖娅曦
2026-1-31 10:21:49
回复
使用道具
举报
照妖镜
猛犸象科技工作室:
网站开发,备案域名,渗透,服务器出租,DDOS/CC攻击,TG加粉引流
谢谢分享,试用一下
梭净挟
2026-2-8 00:19:34
回复
使用道具
举报
照妖镜
猛犸象科技工作室:
网站开发,备案域名,渗透,服务器出租,DDOS/CC攻击,TG加粉引流
用心讨论,共获提升!
啦汇
2026-2-8 08:22:03
回复
使用道具
举报
照妖镜
猛犸象科技工作室:
网站开发,备案域名,渗透,服务器出租,DDOS/CC攻击,TG加粉引流
用心讨论,共获提升!
滥眩
2026-2-9 16:43:23
回复
使用道具
举报
照妖镜
程序园永久vip申请,500美金$,无限下载程序园所有程序/软件/数据/等
很好很强大 我过来先占个楼 待编辑
喳谍
2026-2-9 21:53:14
回复
使用道具
举报
照妖镜
猛犸象科技工作室:
网站开发,备案域名,渗透,服务器出租,DDOS/CC攻击,TG加粉引流
谢谢分享,辛苦了
溧久苟
2026-2-10 11:28:05
回复
使用道具
举报
照妖镜
程序园永久vip申请,500美金$,无限下载程序园所有程序/软件/数据/等
感谢分享,学习下。
下一页 »
1
2
/ 2 页
下一页
高级模式
B
Color
Image
Link
Quote
Code
Smilies
您需要登录后才可以回帖
登录
|
立即注册
回复
本版积分规则
回帖并转播
回帖后跳转到最后一页
签约作者
程序园优秀签约作者
发帖
能氐吨
2026-2-10 11:28:05
关注
0
粉丝关注
22
主题发布
板块介绍填写区域,请于后台编辑
财富榜{圆}
3934307807
991125
anyue1937
9994892
kk14977
6845359
4
xiangqian
638210
5
宋子
9888
6
韶又彤
9910
7
闰咄阅
9993
8
刎唇
9995
9
蓬森莉
9872
10
遗憩
10006
查看更多
今日好文热榜
225
MAUI库推荐五:Maui.PDFView
926
AI 学习笔记:Agent 的能力体系
51
AI 学习笔记:Agent 的能力体系
69
26年执医技能操作步骤培训推荐|精准避坑,
106
26年执医技能操作步骤培训推荐|精准避坑,
360
时序数据库 Apache IoTDB V2.0.7/V1.3.7 发
950
编程效率提升10倍,我只用了一周时间
239
数据库服务日志管理
716
图像纯化与抗纯化相关工作
125
ITR经典案例 | 九号公司x燕千云,构建全球
75
AI Agent与软件行业的结构性变化
434
xv6:从第一个用户程序trap返回kernel态
364
论AI元人文的诗意留白与他者面容
884
并发编程进阶:volatile、内存屏障与 CPU
232
线程与进程的区别与联系:操作系统入门详解
936
OpenClaw 插件系统:如何打造全能私人助理
413
Vue 3 组件通信的 4 种正确姿势
936
H2O-3反序列化漏洞分析(CVE-2025-6507&CVE
378
动力是释放制动是控制:1999年WRC的工程启
614
解决 api-ms-win-core-path-l1-1-0.dll 缺